GM Load Cell GML-X8 Q Series là dòng cảm biến lực Shear Beam (dầm cắt) thuộc phân khúc tải trung và tải nặng của General Measure, được thiết kế để đáp ứng các hệ thống cân công nghiệp có yêu cầu cao về độ ổn định cơ học và khả năng chịu tải lớn.
Sản phẩm kế thừa các ưu điểm của dòng X8 như thiết kế nhỏ gọn, lắp đặt linh hoạt, đồng thời được tích hợp cơ cấu chống quá tải (overload stop) và thanh giữ (stay rod) nhằm tăng độ an toàn khi vận hành.
Đặc biệt, cơ chế tự cân bằng nhờ pendulum bearing giúp loadcell hạn chế sai số khi có tải lệch, đảm bảo độ chính xác trong suốt quá trình sử dụng.
GML-X8 Q Series hỗ trợ cả phiên bản analog và digital, phù hợp với các hệ thống cân hiện đại và giải pháp tự động hóa.
Đặc điểm nổi bật
Dòng GML-X8 Q Series được tối ưu cho môi trường công nghiệp nặng:
- Thiết kế Shear Beam – phù hợp tải trung và tải lớn
- Tích hợp chống quá tải cơ khí (overload stop)
- Trang bị stay rod tăng độ ổn định hệ thống
- Cơ chế tự cân bằng (self-restoring) giảm sai số tải lệch
- Chuẩn bảo vệ cao IP68 / IP67
- Hỗ trợ analog & digital
- Hoạt động ổn định trong môi trường rung động, bụi, ẩm
Ứng dụng thực tế
GML-X8 Q Series là lựa chọn lý tưởng cho:
- Cân sàn tải nặng
- Cân bồn, cân silo dung tích lớn
- Cân trộn vật liệu
- Hệ thống cân trong ngành xi măng, thép, khai khoáng
- Các ứng dụng yêu cầu tải lớn và độ bền cao
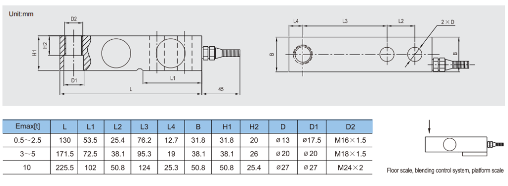
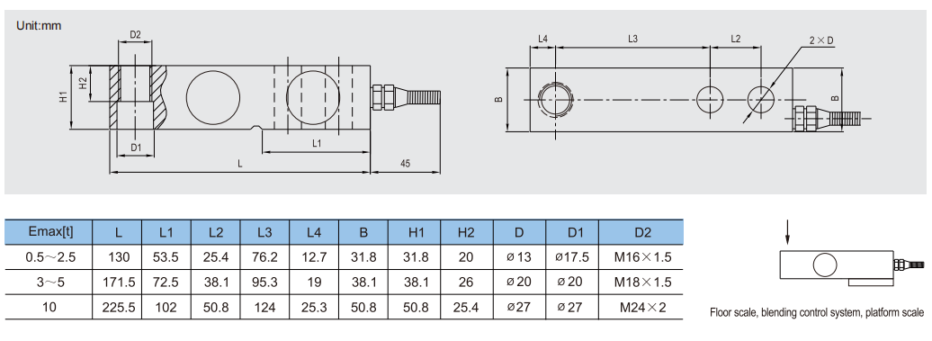
Bảng thông số kỹ thuật
Ưu điểm khi sử dụng GML-X8 Q Series
So với các dòng loadcell thông thường, GML-X8 Q Series mang lại hiệu quả vận hành rõ rệt:
- Hoạt động ổn định với tải lớn và liên tục
- Giảm rủi ro hư hỏng nhờ cơ cấu chống quá tải
- Đảm bảo độ chính xác khi tải không phân bố đều
- Phù hợp cho hệ thống cân yêu cầu độ bền cao, ít bảo trì
Đây là giải pháp phù hợp cho doanh nghiệp cần hệ thống cân bền – ổn định – hoạt động lâu dài trong môi trường khắc nghiệt.
LIÊN HỆ ASTEC CÂN ĐIỆN TỬ
📍 ASTEC CÂN ĐIỆN TỬ
🌐 Website: www.asteccandientu.vn | www.candientuastec.vn
📞 Hotline: 0397 154 084
📧 Email: candientu@astecgroup.vn




Reviews
There are no reviews yet.